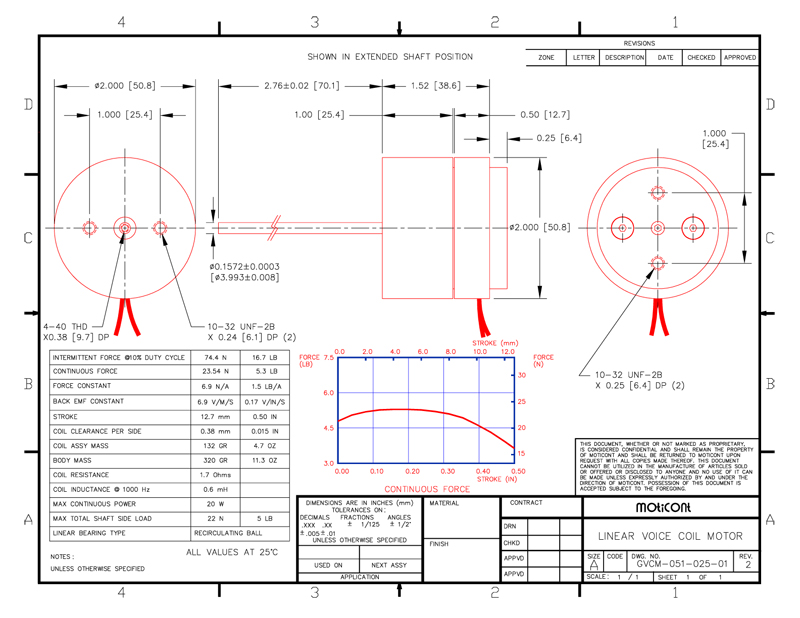
Linear Motor with Internal Shaft & Bearing, GVCM-051-025-01
Continuous
Force: 5.3 lb (23.5 N), Stroke: 0.50 in (12.7 mm)
|
|
|
|
|
| Housing Outside Diameter, 2.000 inch, 50.8 mm | ||||||||
|
|
||||||||
|
The GVCM-051-025-01 Linear Voice Coil Motor features: High acceleration/deceleration, high speed, high reliability, zero backlash, high accuracy, high repeatability, and a 0.5 inch (12.7 mm) stroke length!.
Also referred to as an Electric
Cylinder, this linear actuator is an ideal low cost, high
accuracy replacement for hydraulic and pneumatic linear actuators.
This clean, compact, voice coil motor has a high force to size
ratio with 5.3 lbs (23.5 N) continuous force and 16.7 lb (74.4 N) of
peak force at 10% duty cycle with a housing measuring just 2.00 in.
(50.8 mm) diameter with a housing legth of 1.00 in. (25.4 mm). The precision ground 0.1572 (3.993 mm) diameter shaft has an internal thread, and the housing has threaded mounting holes on each end for easy integration into current and future applications
This clean, quiet, efficient, low inertia, brushless actuator featuring an internal shaft is ideal for: Medical devices, antenna positioning, testing, sorting, assembly equipment, work holding and clamping, scanners and laser beam steering and filtering, laser machining and drilling, wafer handling, optical focusing, and dynamic vibration absorption, |
||||||||
| Model # | Stroke | Continuous Force | Intermittent Force @ 10% Duty Cycle | Housing Length | ||||
| GVCM-051-025-01 | 0.50 | inch | 5.3 | lb | 16.7 | lb | 1.00 | inch |
Datasheet in PDF ![]() |
12.7 | mm | 23.5 | N | 74.4 | N | 25.4 | mm |
Drawing quick view
![]() |
Download 3D STEP | |||||||
| Share this page: |
| Tweet |

























