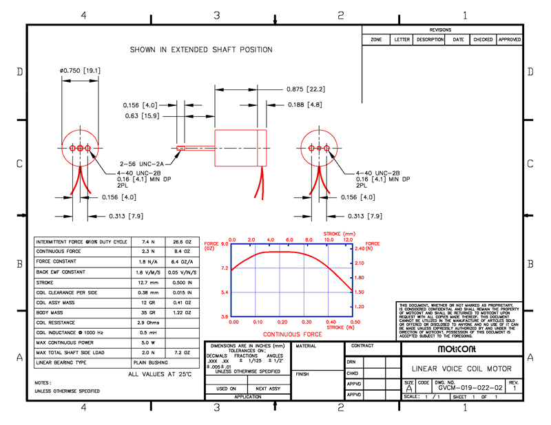
Linear Motor with Internal Shaft & Bearing, GVCM-019-022-02
Continuous
Force: 8.4 Oz (2.3 N), Stroke: 0.500 in (8.4 mm)
|
|
|
|
|
| Housing Outside Diameter, 0.750 inch, 19.1 mm | ||||||||||
|
||||||||||
|
The miniature GVCM-019-022-02 Linear Voice Coil
Servo Motor, is just three-fourths of an inch (19.0
mm) in diameter and features a half inch (12.7 mm)
stroke. This very small linear actuator, also
referred to as an electric cylinder, features 8.4
ounces (2.3 N) of continuous force and 26.6 ounces
(7.4 N) of peak force at a 10 percent duty cycle. This non-commutated brushless servo motor features: High reliability, high speed, high acceleration/deceleration, and repeatability when used in a servo loop, and zero cogging. The compact housing and coil end combined are just 1.063 in. (27.0 mm) long and in the fully extended position the threaded shaft extends 0.786 in. (19.9 mm) beyond the face of the housing. The end of the shaft has a 2-56 UNC-2A thread 0.156 in. (4.0 mm) long for backlash free connections. Both the housing and coil ends of the actuator have two 4-40 UNC-2B threaded mounting holes on 0.313 (7.9 mm) bolt circles for easy integration into an application. Non-commutated, these brushless miniature linear servo motors are clean, quiet and an ideal choice for: Haptic feedback and pipetting in medical devices, laser, machining and drilling, work holding and clamping, scanners and laser beam steering and filtering, optical focusing, dynamic vibration absorption, testing, sorting, and assembly. Additionally, they should be considered as low-cost replacements for pneumatic linear actuators. |
||||||||||
| Model # | Stroke | Continuous Force | Intermittent Force @ 10% Duty Cycle | Housing Length | ||||||
| GVCM-019-022-02 | 0.500 | inch | 8.4 | oz | 26.6 | oz | 0.875 | inch | ||
Datasheet in PDF ![]() |
12.7 | mm | 2.3 | N | 7.4 | N | 22.2 | mm | ||
Drawing quick view
![]() |
Download 3D STEP | |||||||||
| Share this page: |
| Tweet |























